Лиза - Архитектурное бюро
 
О компании Услуги Проекты Фотогалерея Контакты Телефоны :
(495) 426-6233
8-916-671-4672
E-mail : arch.liza@mail.ru
Адрес:
м.Новоясеневская,
Новоясеневский проспект,
д.25
КАТАЛОГ ПРОЕКТОВ
Новинки
Новые проекты нашей студии...
Проекты домов

     До 400 м2
     От 600 м2

Проекты : КО-715 "Джулия"

Общее описание

Жилая площадь - 159,0 м2
Общая площадь дома - 414.8 м2
Площадь застройки - 190.0 м2


Пояснительная записка

Тип фундамента - сборные ж/б
Материал наружных стен - керамзитобетонные блоки с облицовкой керамическим кирпичом (510мм)
Перекрытия - сборные ж/б плиты
Крыша - чердачная
Покрытие кровли - мягкая-, металлочерепица
Наружная отделка стен - цветная фасадная штукатурка, детали белого цвета
Цоколя - натуральный (искусственный) камень


Стоимость

Стоимость рабочей документации по проекту КО-715 "Джулия" - 45 000 руб.


Поэтажные планы

Цоколь
Цоколь
1-ый этаж
1-ый этаж
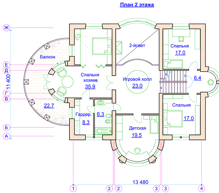
2-ой этаж
2-ой этаж

Фасад 1
Фасад 1
Фасад 2
Фасад 2
Фасад 3
Фасад 3
Фасад 4
Фасад 4

Фотографии





 

© 1992-2015, ООО «Арх. бюро "Лиза"»